188-5753-3188
2157937008@qq.com
浙江省绍兴市上虞区上浦工业区
网站首页
关于我们
新闻资讯
产品展示
工程案例
联系我们
1
2
3
您的当前位置:
首页
>
产品展示
> 4-72、4-79离心风机
产品列表
PRODUCTS LIST
+ HTFC(DT)系列消防通风(两用)低噪声柜式离心风机箱
+ KDF、HTFC-V系列柜式离心风机
+ BF系列节能型低噪声风机箱
+ HTF(XPZ、XGF、GYF)系列消防高温排烟轴流风机
+ PYHL-14A、HL3-2A系列消防高温排烟混流风机、HLF-6系列温流风机箱
+ SWF系列高效低噪声混流通风机
+ GXF、SJG系列斜流式风机
+ DWT(JZWT)、BDW、RSA、RTC系列低噪声屋顶风机
+ DZ系列低噪声轴流风机
+ T35-11(T40-11)系列轴流风机
+ JT-LZ型冷却塔专用风机
+ DFBZ(XBDZ)、WEXD壁式边墙风机
+ LFF系列冷库专用风机
+ SDF系列隧道轴流风机
+ DBF系列大型变压器用冷却风机
+ YDF系列诱导风机
+ GDF(GZF)系列管道式离心风机
+ CF系列厨房排烟管道风机
+ FZ40-11、FZ35-11系列纺织空调风机
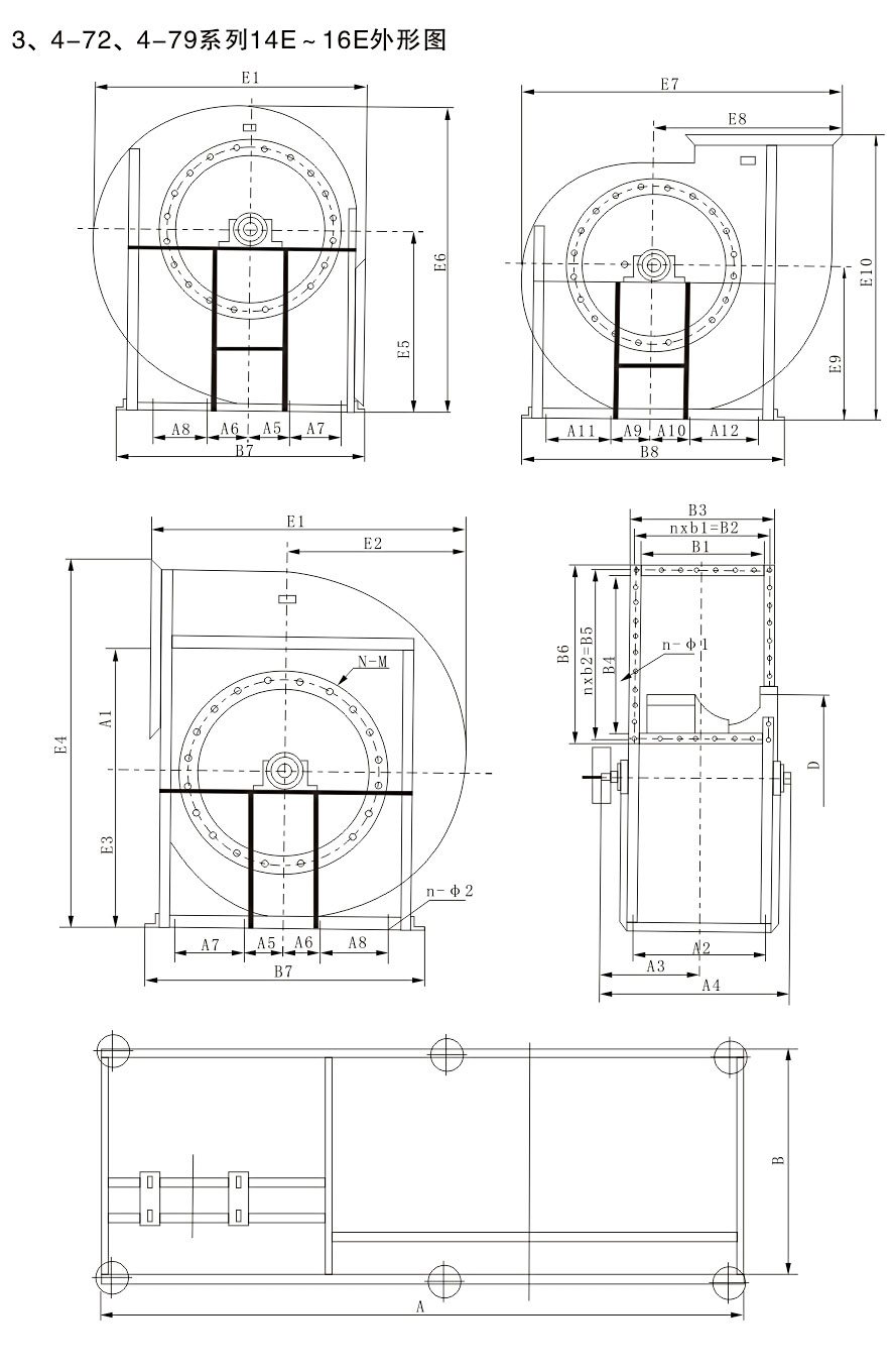
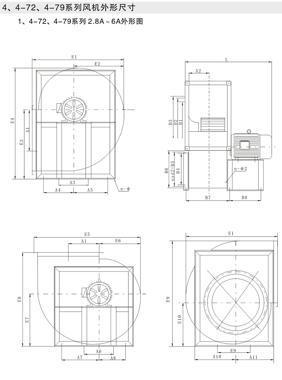
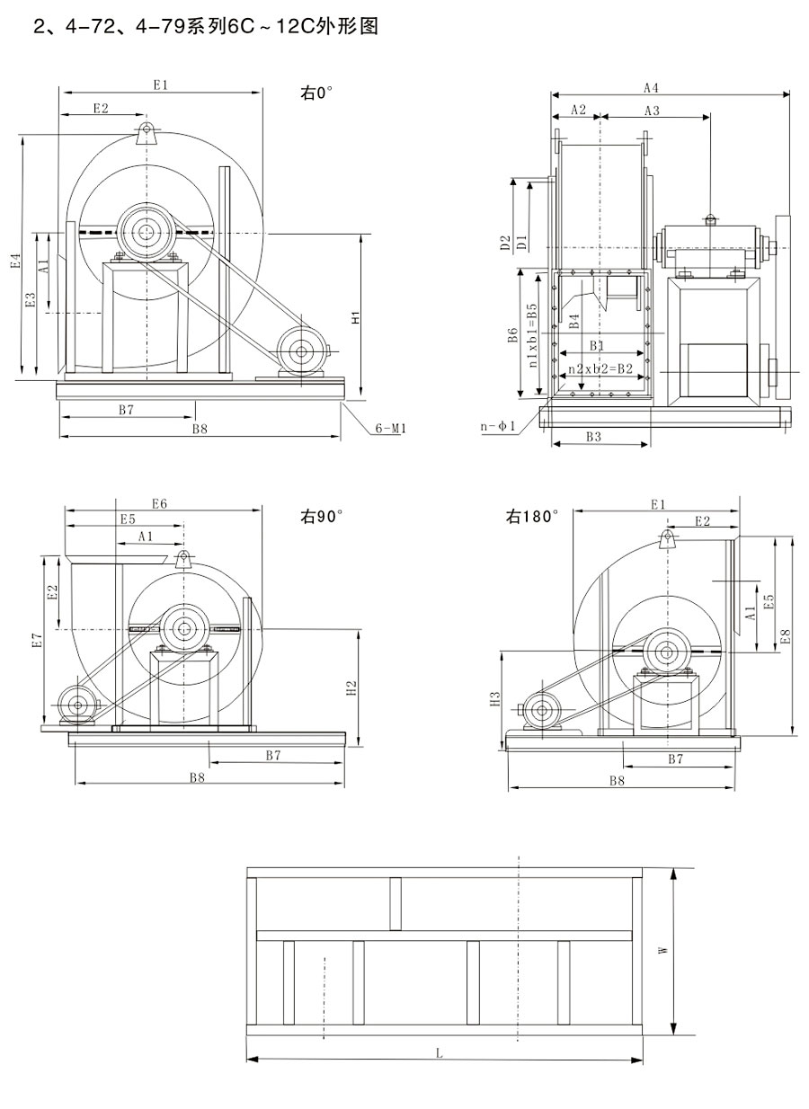
+ 4-72、4-79离心风机
+ 9-19、9-26高压离心风机
+ SDS系列隧道射流风机
+ SR900、DJF、F270型电动脚踏(手摇)两用人防风机
+ XHB系列热回收新风换气机
+ 通风器系列
+ 防火阀、排烟阀、调节阀、铝合金风口
+ 消声器、消声弯头、风管、控制箱
产品详情
/ PRODUCTS DETAILS
Copyright © 绍兴上虞光阳风机有限公司 版权所有
浙ICP备18057507号-3